おかげさまで開設25周年QUICKMAKER.AE 創業祭

QUICKMAKER.AE

詳しくはこちら
マイストア マイストア 変更
  • 即日配送
  • 広告
  • 取置可能
  • 店頭受取

HOT ! アブガルシア レボ ウルトラキャスト BF8ジャンク品

※QUICKMAKER.AE 限定モデル
YouTuberの皆様に商品の使い心地などをご紹介いただいております!
紹介動画はこちら

ネット販売
価格(税込)

6375

  • コメリカード番号登録、コメリカードでお支払いで
    コメリポイント : 2ポイント獲得

コメリポイントについて

購入個数を減らす
購入個数を増やす

お店で受け取る お店で受け取る
(送料無料)

受け取り店舗:

お店を選ぶ

近くの店舗を確認する

納期目安:

13時までに注文→17時までにご用意

17時までに注文→翌朝までにご用意

受け取り方法・送料について

カートに入れる

配送する 配送する

納期目安:

2026.03.20 1:25頃のお届け予定です。

決済方法が、クレジット、代金引換の場合に限ります。その他の決済方法の場合はこちらをご確認ください。

※土・日・祝日の注文の場合や在庫状況によって、商品のお届けにお時間をいただく場合がございます。

即日出荷条件について

受け取り方法・送料について

カートに入れる

欲しいものリストに追加

欲しいものリストに追加されました

アブガルシア レボ ウルトラキャスト BF8ジャンク品の詳細情報

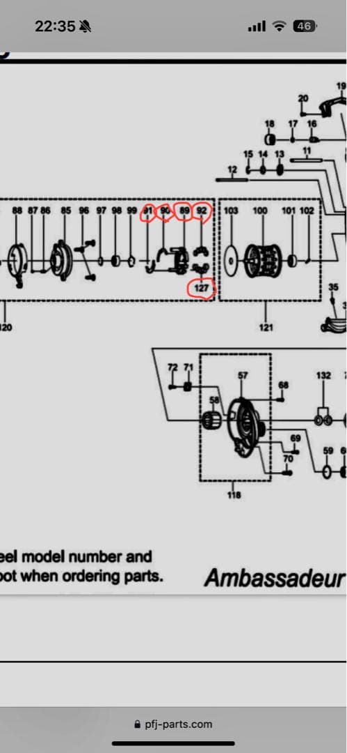
Abu Garcia REVO ULTRACAST BF8となります。SHIMANO 21ツインパワー SW14000XG。ジャンク品扱いの理由としては、マグネットホルダー、マグネットプレート、ネオジウムマグネットの欠品となっております。シマノ 13ステラ14000XG。写真6枚目の赤丸のパーツを装着すれば、使用に問題はございません。13 ステラ SW 18000 スタジオオーシャンマーク。パーツを注文してご自身で装着できる方や、レボのパーツ取りにいかがでしょうか⁉︎なおスプール等の他パーツ単体での販売は行っておりませんので、予めご了承ください。カルカッタコンクエスト。その他質問等ございましたら、お気軽にコメントくださいm(_ _)m

同じカテゴリの 商品を探す

ベストセラーランキングです

このカテゴリをもっと見る

この商品を見た人はこんな商品も見ています

近くの売り場の商品

このカテゴリをもっと見る

カスタマーレビュー

オススメ度  4.2点

現在、3412件のレビューが投稿されています。